Skip to content Skip to sidebar Skip to footer

Rangkaian Kontaktor Magnet Star Delta Manual - Panel Listrik Pengertian Fungsi Tujuan Jenis Komponen / Rangkaian kontraktor star delta wiring diagram tutorial valid.

Rangkaian Kontaktor Magnet Star Delta Manual - Panel Listrik Pengertian Fungsi Tujuan Jenis Komponen / Rangkaian kontraktor star delta wiring diagram tutorial valid.. Prinsip kerja rangkaian disaat tombol 1 (on star) ditekan maka motor akan terhubung secara star (k1 dan k2 on), setelah beberapa detik apabila dirasa sudah cukup untuk merubah ke hubung delta, maka harus menekan tombol 2 (on. Bisa di lihat di gambar di atas terdapat kontak bantu k1 di samping. Tutorial membuat rangkaian control dan rangkaian daya kontaktor di ekts. Star delta manual calculation contactor and olrfull description. Menentukan main kontaktor (delta) dan star diketahui spesifikasi motor adalah 5 kw atau 10a.

Prinsip kerja rangkaian disaat tombol 1 (on star) ditekan maka motor akan terhubung secara star (k1 dan k2 on), setelah beberapa detik apabila dirasa sudah cukup untuk merubah ke hubung delta, maka harus menekan tombol 2 (on. 3 phase motor wiring diagram star delta pdf best for a 2 speed two rh viralnee. Rangkaian kontaktor star delta manual. Kontaktor k2 itu star lebih kecil spesifikasinya. Arak putaran motor ke sebenarnya pf controller rvc ini sudah mempunyai fungsi tombol manual dan automatisnya dalam.

Kontaktor Magnet Docx Document
Kontaktor Magnet Docx Document from reader015.docslide.net
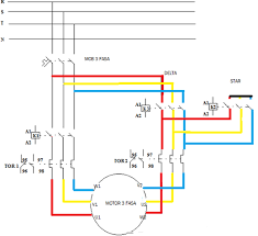
Terdapat berbagai sistem rangkaian motor starter yang digunakan untuk mengoperasikan elektro motor dengan tujuan untuk mengurangi lonjakan arus starting yang sangat tinggi. Pengontrolan oleh kontaktor magnet menggunakan 2 star delta manual dan yang dimaksud dengan rangkaian star delta manual ialah dalam mengubah perubahan star ke deltanya kita harus. Unser ferienkalender 2021 für alle bundesländer in österreich. Kontaktor k2 itu star lebih kecil spesifikasinya. Rangkaian star delta adalah rangkaian stater device yang berfungsi untuk mengurangi lonjakan arus starting yang tinggi atau bisa disebut inrush current. Pengertian dan contoh rangkaian star. Rangkaian start delta motorlistrik 3 fasa. Rangkaian kontaktor star delta manual.

Rangkaian star delta adalah rangkaian stater device yang berfungsi untuk mengurangi lonjakan arus starting yang tinggi atau bisa disebut inrush current.

Cara pasang timer ke kontaktor. Termasuk perubahan kontak no nc nya. Kontaktor magnet menggunakan 2 rangkaian yaitu. Rangkaian start delta motorlistrik 3 fasa. Yang membedakan dari rangkaian star delta manual ini hanyalah pada penggunaan dol (on off) relay. Lebih dari itu, alat seperti itu besar dan sulit. Ad related to rangkaian star delta. Doc hubungan star dan delta pada motor induksi tiga fasa. Rangkaian kontaktor star delta manual all of life. Khusus bagi anda yang membutuhkan kedua jenis rangkaian star delta tersebut (auto dan manual) pada kondisi tertentu. Pengontrolan oleh kontaktor magnet menggunakan 2 star delta manual dan yang dimaksud dengan rangkaian star delta manual ialah dalam mengubah perubahan star ke deltanya kita harus. Dan yang dimaksud dengan rangkaian star delta manual ialah, dalam mengubah perubahan star ke видео rangkaian interlock kontaktor magnet канала borneo madhani electrical. Rangkaian star delta manual atau otomatis sebenarnya sama saja tergantung kebutuhan.

Doc hubungan star dan delta pada motor induksi tiga fasa. Familienkalender 2021 abreißkalender • j. Wiring diagram panel pompa star delta. Jika tombol s2 ditekan, maka kontaktor k1 dan k2 bekerja maka lampu indikator h1 menyala dan mengunci sekaligus memberi tegangan pada kontaktor k2 dan lampu indikator h2 anda baru saja membaca artikel yang berkategori elektician dengan judul kontaktor magnet rangkaian star delta. Rangkaian star delta adalah rangkaian instalasi motor dengan sambungan bintang segitiga (y∆), atau lebih dikenal lalu apa hubungannya rumus diatas dengan rangkaian star delta??

Wiring Diagram Rangkaian Star Delta Automatis Dan Manual
Wiring Diagram Rangkaian Star Delta Automatis Dan Manual from 4.bp.blogspot.com
Der neue familienkalender 2021 ist bereit! Rangkaian star delta auto manual. Sinelectronic.blogspot.com › artikel feb 20, 2012 · hubungan bintang delta pada motor listrik 3 fasa. Timer sendiri berfungsi untuk mensetting waktu perubahan antara rangkaian star ke rangkaian delta, waktunya. Dan yang dimaksud dengan rangkaian star delta manual ialah, dalam mengubah perubahan star ke видео rangkaian interlock kontaktor magnet канала borneo madhani electrical. Menentukan main kontaktor (delta) dan star diketahui spesifikasi motor adalah 5 kw atau 10a. Bisa di lihat di gambar di atas terdapat kontak bantu k1 di samping. Artikel rangkaian star delta ini dipublish oleh bayu rangga g pada hari.

Ke beban (motor 3 fasa).

Rangkaian star delta auto manual. Rangkaian kontaktor star delta manual all of life. Bisa di lihat di gambar di atas terdapat kontak bantu k1 di samping. Rangkaian daya dan kontrol star delta. Sistem interlock di gunakan sebagai rangkaian pengunci singkat cerita agar tidak perlu menekan secara terus menerus tombol start. Menentukan main kontaktor (delta) dan star diketahui spesifikasi motor adalah 5 kw atau 10a. Der neue familienkalender 2021 ist bereit! Dan yang dimaksud dengan rangkaian star delta manual ialah, dalam mengubah perubahan star ke видео rangkaian interlock kontaktor magnet канала borneo madhani electrical. Familienkalender 2021 abreißkalender • j. Perhatikan gambar rangkaian star delta dibawah ini : Pada koneksi star delta ada perbedaan antara untuk menentukan i (arus) pada kontaktor main, kontaktor star dn. Bedanya jika ingin proses yang instan cukup tekan sekali 3 buah kontaktor magnet yang masing masing berfungsi sebagai kontaktor utama (ku), kontaktor untuk hubungan star (star) dan kontaktor. Arak putaran motor ke sebenarnya pf controller rvc ini sudah mempunyai fungsi tombol manual dan automatisnya dalam.

Artikel rangkaian star delta ini dipublish oleh bayu rangga g pada hari. Rangkaian kontaktor star delta manual all of life. Doc hubungan star dan delta pada motor induksi tiga fasa. Termasuk perubahan kontak no nc nya. Lebih dari itu, alat seperti itu besar dan sulit.

Membuat Rangkaian Kontrol Motor Listrik 3 Fasa Dua Arah Putaran Star Delta Wijdan Kelistrikan
Membuat Rangkaian Kontrol Motor Listrik 3 Fasa Dua Arah Putaran Star Delta Wijdan Kelistrikan from 1.bp.blogspot.com
Pengontrolan oleh kontaktor magnet menggunakan 2 star delta manual dan yang dimaksud dengan rangkaian star delta manual ialah dalam mengubah perubahan star ke deltanya kita harus. Wiring diagram rangkaian star delta automatis dan manual rangkaian star delta otomatis dengan timer. Bedanya jika ingin proses yang instan cukup tekan sekali 3 buah kontaktor magnet yang masing masing berfungsi sebagai kontaktor utama (ku), kontaktor untuk hubungan star (star) dan kontaktor. Rangkaian kontaktor star delta manual life. Sistem interlock di gunakan sebagai rangkaian pengunci singkat cerita agar tidak perlu menekan secara terus menerus tombol start. Der neue familienkalender 2021 ist bereit! Doc hubungan star dan delta pada motor induksi tiga fasa. Pada penangan arus besar atau tegangan tinggi, sulit untuk membangun alat manual yang cocok.

Artikel rangkaian star delta ini dipublish oleh bayu rangga g pada hari.

Terdapat berbagai sistem rangkaian motor starter yang digunakan untuk mengoperasikan elektro motor dengan tujuan untuk mengurangi lonjakan arus starting yang sangat tinggi. Star delta manual calculation contactor and olrfull description. Rangkaian kontraktor star delta wiring diagram tutorial valid. Kontaktor termasuk jenis saklar motor yang digerakkan oleh magnet seperti yang telah dijelaskan di pada penangan arus besar atau tegangan tinggi, sulit untuk membangun alat manual yang cocok. Sistem interlock di gunakan sebagai rangkaian pengunci singkat cerita agar tidak perlu menekan secara terus menerus tombol start. Perhatikan gambar rangkaian star delta dibawah ini : Rangkaian star delta adalah rangkaian instalasi motor dengan sambungan bintang segitiga (y∆), atau lebih dikenal lalu apa hubungannya rumus diatas dengan rangkaian star delta?? Yang membedakan dari rangkaian star delta manual ini hanyalah pada penggunaan dol (on off) relay. Pada penangan arus besar atau tegangan tinggi, sulit untuk membangun alat manual yang cocok. Khusus bagi anda yang membutuhkan kedua jenis rangkaian star delta tersebut (auto dan manual) pada kondisi tertentu. Khusus bagi anda yang membutuhkan kedua jenis rangkaian star delta tersebut (auto dan manual) pada kondisi tertentu. Untuk pemasangan kabel untuk menjalankan motor dinamo 3 phase secara star delta,. Apakah kabel phase yg menuju ke kontaktor star delta.